Trong bài viết này, chúng ta sẽ khám phá chi tiết về cách đấu công tắc thẻ từ khách sạn. Loại công tắc này không chỉ giúp quản lý việc tiêu thụ điện năng mà còn mang lại sự tiện lợi cho khách hàng khi lưu trú tại các khách sạn. Việc hiểu rõ về cách thức hoạt động và cách đấu nối của loại công tắc này là rất quan trọng trong việc lắp đặt và bảo trì hệ thống điện trong khách sạn.
MỤC LỤC
ToggleGiới thiệu về công tắc thẻ từ khách sạn
Công tắc thẻ từ là một thiết bị hiện đại được sử dụng phổ biến trong các khách sạn, nhằm cung cấp sự tiện ích và an toàn cho cả khách hàng lẫn chủ khách sạn. Một trong những đặc điểm nổi bật của công tắc thẻ từ là nó chỉ cho phép bật điện trong phòng khi có thẻ từ hợp lệ được cắm vào. Điều này giúp ngăn chặn tình trạng tiêu thụ điện không cần thiết khi phòng không có khách.
Xem bài viết:
- Các loại thẻ từ thang máy phổ biến hiện nay
- Cách lắp đặt công tắc thẻ từ
- [CHI TIẾT] Cách mở cửa bằng thẻ từ từ A-Z
Phân loại công tắc thẻ từ theo hình dáng
Công tắc thẻ từ hình vuông
Đây là loại công tắc có thiết kế hình vuông đơn giản. Thích hợp cho những không gian nhỏ gọn, dễ dàng lắp đặt.
![[Hướng dẫn] Cách đấu công tắc thẻ từ khách sạn chi tiết](../wp-content/uploads/2024/11/cach-dau-cong-tac-the-tu-khach-san-6729be7238e3f.png)
Công tắc thẻ từ hình chữ nhật ngang
Với kích thước lớn hơn, loại công tắc này thường được ưu tiên sử dụng tại các phòng khách sạn cao cấp. Thiết kế này tạo cảm giác sang trọng và hiện đại.
![[Hướng dẫn] Cách đấu công tắc thẻ từ khách sạn chi tiết](../wp-content/uploads/2024/11/cach-dau-cong-tac-the-tu-khach-san-6729be7224143.png)
Công tắc thẻ từ hình chữ nhật dọc
Loại công tắc này giúp tiết kiệm diện tích và có thể được lắp ở các vị trí khác nhau trên tường, phù hợp với nhiều kiểu dáng nội thất.
Phân loại công tắc thẻ từ theo tần số
-
Không tần số
- Sử dụng mắt đọc quang học để đóng ngắt điện, đơn giản nhưng hiệu quả.
-
Tần số thấp 125mhz
- Loại thẻ này thường rẻ hơn và phù hợp với nhiều loại khách sạn.
-
Tần số cao 13.56mhz
- Được áp dụng cho các thẻ từ có tính năng an toàn cao hơn, thường gặp trong các khu nghỉ dưỡng cao cấp.
Lưu ý khi sử dụng thẻ từ
-
Thẻ từ quang
- Có khả năng phát hiện ánh sáng, khi cắm thẻ vào, hai mắt cảm biến không nhìn thấy nhau, dẫn đến điện sẽ bật. Khi rút thẻ ra, điện sẽ tắt sau 10 giây.
-
Thẻ từ chíp
- Sử dụng IC để xác định xem thẻ đã được cài đặt hay chưa. Nếu thẻ không phải là thẻ đã cài mã trước đó, điện sẽ không được bật.
Như vậy, công tắc thẻ từ là một giải pháp lý tưởng để kiểm soát việc sử dụng điện trong phòng khách sạn, đồng thời cũng đảm bảo an toàn cho tài sản và tiết kiệm chi phí cho chủ khách sạn.
Xem thêm: Dịch vụ Sao Chép Thẻ Từ Uy Tín | Chuyên Nghiệp | Nhận Làm SLL
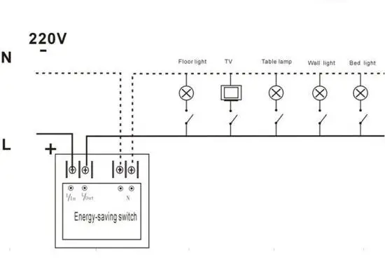
Sơ đồ lắp đặt cho công tắc thẻ từ khách sạn
![[Hướng dẫn] Cách đấu công tắc thẻ từ khách sạn chi tiết](../wp-content/uploads/2024/11/cach-dau-cong-tac-the-tu-khach-san-6729be7237095.webp)
Khi lắp đặt công tắc thẻ từ, sơ đồ lắp đặt là một yếu tố vô cùng quan trọng. Nó không chỉ ảnh hưởng đến tính ổn định của hệ thống mà còn liên quan đến việc sử dụng của khách hàng.
Cách đấu công tắc thẻ từ khách sạn
Để quá trình lắp đặt diễn ra suôn sẻ, bạn cần chuẩn bị:
-
Các công cụ cần thiết
- Kìm, tua vít, băng keo điện, và các vật liệu lắp đặt khác.
-
Sơ đồ điện hệ thống
- Nên có sẵn bản vẽ thiết kế sơ đồ điện để xác định vị trí chính xác của công tắc.
-
Thông tin về cấu trúc điện trong phòng
- Cần nắm rõ cách bố trí điện trong phòng để tránh xảy ra sự cố trong quá trình đấu nối.
Vị trí lắp đặt công tắc thẻ từ
Vị trí lắp đặt cũng quyết định đến sự thuận tiện cho người dùng. Công tắc nên được lắp đặt ở vị trí dễ thấy và dễ tiếp cận, thường là ngay sát cửa ra vào.
Kết nối dây điện
Việc kết nối dây điện đúng cách là rất quan trọng. Bạn cần làm theo hướng dẫn cụ thể từ nhà sản xuất:
-
Dây nguồn
- Kết nối dây nguồn chính vào công tắc.
-
Dây tải
- Kết nối dây tải đến các thiết bị điện trong phòng như đèn, máy lạnh, bình nóng lạnh…
Sau khi hoàn tất các bước lắp đặt, bạn cần thử nghiệm và kiểm tra lại toàn bộ hệ thống để đảm bảo mọi thứ hoạt động bình thường.
Cách hoạt động của công tắc thẻ từ khách sạn
Công tắc thẻ từ hoạt động dựa trên nguyên lý điện tử, cho phép ngắt và mở điện bằng cách sử dụng thẻ từ. Điều này giúp tiết kiệm năng lượng và bảo vệ thiết bị điện trong phòng khách sạn.
Nguyên lý hoạt động của công tắc thẻ từ
Công tắc thẻ từ được thiết kế không thể chịu tải cao. Do đó, để điều khiển các thiết bị điện lớn như điều hòa hay tivi, cần sử dụng thêm khởi động từ hay Contactor.
Khởi động từ (Contactor)
Khởi động từ là thiết bị giúp tăng khả năng chịu tải cho công tắc thẻ từ. Tùy thuộc vào yêu cầu của từng công trình, bạn có thể chọn loại khởi động từ phù hợp để đảm bảo an toàn và hiệu quả.
-
Ngắt 1 pha hoặc 2 pha
- Tùy vào nhu cầu, bạn có thể chọn loại khởi động từ ngắt toàn bộ hoặc chỉ một pha.
-
Thiết kế riêng cho công tắc thẻ từ
- Hiện nay, nhiều loại khởi động từ đã được thiết kế chuyên biệt để tương thích với công tắc thẻ từ, giúp tối ưu hóa khả năng hoạt động của hệ thống điện.
Hệ thống điện trong phòng khách sạn
Hệ thống điện trong phòng khách sạn thường bao gồm nhiều thiết bị khác nhau như đèn chiếu sáng, điều hòa, tivi, tủ lạnh… Mỗi thiết bị cần được kết nối và hoạt động song song với nhau để đảm bảo sự thuận tiện cho khách hàng.
Hoạt động của thẻ từ quang
Thẻ từ quang hoạt động dựa trên sự giao thoa của ánh sáng. Khi chưa có thẻ cắm vào, hai mắt cảm biến vẫn nhìn thấy nhau. Nhưng khi thẻ được cắm vào, ánh sáng giữa hai mắt bị che khuất, điện sẽ bật lên.
-
Quá trình rút thẻ
- Khi rút thẻ ra, hai mắt cảm biến lại nhìn thấy nhau và bắt đầu đếm ngược thời gian, sau 10 giây điện sẽ tự động tắt.
Hoạt động của thẻ từ chíp
Thẻ từ chíp sử dụng mã hóa để nhận biết thẻ. Nếu bạn mất thẻ và đưa một thẻ khác vào, công tắc sẽ không hoạt động. Chỉ có thẻ đã được lập trình mới có thể kích hoạt điện.
-
Bảo mật thông tin
- Điều này giúp tăng cường mức độ bảo mật cho tài sản trong phòng, giảm thiểu nguy cơ mất mát do khách không có quyền truy cập.
Các câu hỏi thường gặp
Nhiều người có thể còn băn khoăn về công tắc thẻ từ. Dưới đây là một số câu hỏi thường gặp và câu trả lời cho từng vấn đề.
Công tắc thẻ từ có an toàn không?
Công tắc thẻ từ được thiết kế với tính năng bảo mật cao, giúp ngăn chặn việc sử dụng điện trái phép. Tuy nhiên, an toàn của hệ thống cũng phụ thuộc vào cách sử dụng và bảo trì của người quản lý.
Có thể thay thế công tắc thẻ từ bằng công tắc truyền thống không?
Mặc dù có thể thay thế nhưng việc sử dụng công tắc thẻ từ mang lại nhiều lợi ích vượt trội hơn so với công tắc truyền thống, đặc biệt là trong việc tiết kiệm năng lượng và tăng cường bảo mật.
Cách khắc phục khi công tắc thẻ từ không hoạt động?
Nếu công tắc thẻ từ không hoạt động, bạn nên kiểm tra lại nguồn điện, thẻ từ và các kết nối dây điện. Nếu vấn đề vẫn không được giải quyết, hãy liên hệ với nhà cung cấp để được hỗ trợ.
Kết luận
Thông qua bài viết này, hy vọng bạn đã có cái nhìn sâu sắc về cách đấu công tắc thẻ từ khách sạn cũng như cách thức hoạt động của nó. Công tắc thẻ từ không chỉ là một thiết bị tiện ích mà còn góp phần nâng cao trải nghiệm của khách hàng và quản lý tài sản hiệu quả hơn. Nếu bạn đang trong quá trình lắp đặt hoặc nâng cấp hệ thống điện của mình, đừng ngần ngại áp dụng những kiến thức đã được chia sẻ trong bài viết này nhé!




